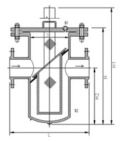
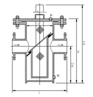
![]() 藍式過濾器 | ![]() 直通平底藍式過濾器 | ![]() 直通弧底藍式過濾器 |
| 殼體材質 | PP 碳鋼 不銹鋼 襯里 |
| 濾框濾網材質 | 不銹鋼 |
| 密封件材質 | 耐油石棉橡膠、金屬纏繞墊、聚四氟乙烯 |
| 工作溫度(℃) | -80~450 |
| 連接方式 | 法蘭連接、對焊連接、螺紋連接 |
| 公稱壓力(MPa) | 0.6~16.0 (150Lb~900Lb) |
| 過濾精度(目/in) | 5~800 |
| DN | 25 | 40 | 50 | 80 | 100 | 125 | 150 | 200 | 250 | 300 |
| SIZE | 1” | 11/2” | 2” | 3” | 4” | 5” | 6” | 8” | 10” | 12” |
| D1 | 76 | 108 | 108 | 159 | 219 | 273 | 325 | 377 | 426 | 478 |
| L | 180 | 260 | 260 | 399 | 459 | 513 | 565 | 617 | 666 | 718 |
| H | 260 | 300 | 300 | 417 | 508 | 617 | 724 | 793 | 893 | 997 |
| H1 | 410 | 560 | 560 | 719 | 881 | 1079 | 1276 | 1397 | 1544 | 1739 |
| H2 | 160 | 170 | 170 | 214 | 272 | 345 | 404 | 446 | 495 | 563 |
點擊查看